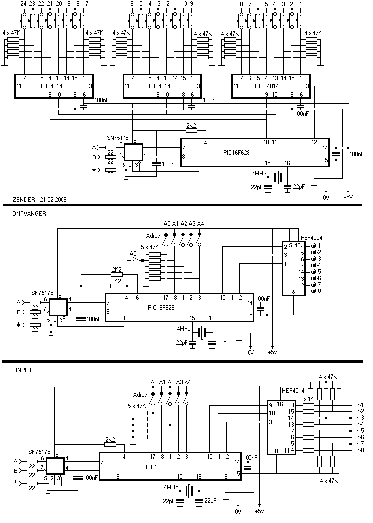
Odkazy:
Sériová sběrnice která pro přenos používá dvou (tří vodičů). Datový signál je přenášen symetricky po dvou vodičích, třetí vodič pak slouží jako společná zem. Dovoluje připojení až 32 zařízení (příjem/vysílání) na jeden segment. S použitím zařízení zvaných Repeaters (opakovače) je možno propojit více segmentů. Novější standard umožňuje za použití menších odporů připojení až 256 zařízení na společnou sběrnici (segment).
Maximální délka sběrnice je okolo 1200m a umožňuje přenosovu rychlost do 200kbps. Nejvyší rycholost je 10Mbps na sběrnici délky 50m.
Odkazy na součástky:
Maxim
Texas Instruments
Zapojení:
